Fuel Efficiency





Indoor or outdoor multi room application. With two open sides, view the flame from the front and the back.
Available in black, firebox comes with stainless steel burners and decorative Black Glass Charcoal.
No gas, no electricity, no chimney, no venting or external vent cap. 4 fewer General Contractors.
All the fuel is housed within Flex’s self-contained burner so you don’t have to run a gas line or electric wires through your walls. And because e-NRG Bioethanol is clean burning, you don’t need a flue or a chimney
Self-contained, zero clearance construction allows your Flex fireplace to be framed into wood or metal studs, providing installation freedom and flexibility for builders.
Requiring virtually no assembly, Flex Fireboxes are designed to be placed into the desired location, safely secured into position, and operated immediately.
Zinc sealed steel construction powder coated with super hi-temp black paint prevents rusting so all fireplaces can be used both indoors or outdoors.
Available in a timeless black finish, Flex Fireboxes come with stainless steel burners and black glass charcoal.
Included integrated windscreen sits flush behind frame.
Our collection has been thoroughly tested against a number of global standards and are UL Listed in the USA, Certified for EU and UK in accordance with EN16647, and satisfy the ACCC Safety Mandate for Australia.
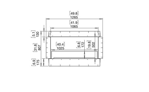
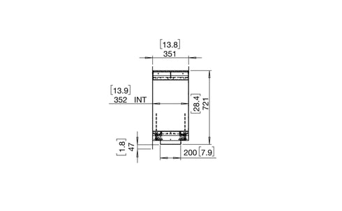
CONSTRUCTION
WEIGHT70.8kg [156.1lb]
MODEL DIMENSIONS mm [in] H 807.0 [31.8in]
W 1470.0 [57.9in]
D 354.0 [13.9in]
Mild Steel Toughened Glass
Our fireboxes are manufactured to the highest standards and in accordance with ISO 9001:2008.
DETAILS
VIEWING AREA mm [in] H 502.0 [19.8in]
W 1270.0 [50.0in]
D 352.0 [13.9in]
0.89m3
PACKAGING TYPECrate (Inc Skid)
Includes everything you need to easily operate and protect your investment for many years to come.
- What happens after I place the order?
- How will my order be delivered?
- Where do we deliver?
- Where and when do we offer the 2 Person Delivery Service?
- How do you ask for the 2 Person Delivery Service?
- etc...
- Cancelling your order?
- How returns are initiated?
- etc...
Fuel Efficiency





Indoor or outdoor multi room application. With two open sides, view the flame from the front and the back.
Available in black, firebox comes with stainless steel burners and decorative Black Glass Charcoal.
No gas, no electricity, no chimney, no venting or external vent cap. 4 fewer General Contractors.
All the fuel is housed within Flex’s self-contained burner so you don’t have to run a gas line or electric wires through your walls. And because e-NRG Bioethanol is clean burning, you don’t need a flue or a chimney
Self-contained, zero clearance construction allows your Flex fireplace to be framed into wood or metal studs, providing installation freedom and flexibility for builders.
Requiring virtually no assembly, Flex Fireboxes are designed to be placed into the desired location, safely secured into position, and operated immediately.
Zinc sealed steel construction powder coated with super hi-temp black paint prevents rusting so all fireplaces can be used both indoors or outdoors.
Available in a timeless black finish, Flex Fireboxes come with stainless steel burners and black glass charcoal.
Included integrated windscreen sits flush behind frame.
Our collection has been thoroughly tested against a number of global standards and are UL Listed in the USA, Certified for EU and UK in accordance with EN16647, and satisfy the ACCC Safety Mandate for Australia.
CONSTRUCTION
WEIGHT70.8kg [156.1lb]
MODEL DIMENSIONS mm [in] H 807.0 [31.8in]
W 1470.0 [57.9in]
D 354.0 [13.9in]
Mild Steel Toughened Glass
Our fireboxes are manufactured to the highest standards and in accordance with ISO 9001:2008.
DETAILS
VIEWING AREA mm [in] H 502.0 [19.8in]
W 1270.0 [50.0in]
D 352.0 [13.9in]
0.89m3
PACKAGING TYPECrate (Inc Skid)
Includes everything you need to easily operate and protect your investment for many years to come.
- What happens after I place the order?
- How will my order be delivered?
- Where do we deliver?
- Where and when do we offer the 2 Person Delivery Service?
- How do you ask for the 2 Person Delivery Service?
- etc...
- Cancelling your order?
- How returns are initiated?
- etc...














































