Phone Email Live Chat
PRODUCT INFORMATION
PRODUCT INFORMATION

Fuel Efficiency

Volume Capacity
5 L [1.3 Gal]
Heats on Average
40m2 [431ft2]
Minimal Room
80m3 [2825ft3]
Thermal Output
11430 BTU/h [3.4 kW 12 MJ/h]
Burn Time
10 - 13 h [5 Litres]
BENEFITS
BENEFITS
Application

Indoor or outdoor single room application. With two open sides, view the flame from the right and the front.

Colours

Available in black, firebox comes with stainless steel burners and decorative Black Glass Charcoal.

No gas or electricity

No gas, no electricity, no chimney, no venting or external vent cap. 4 fewer General Contractors.

Clean burning

All the fuel is housed within Flex’s self-contained burner so you don’t have to run a gas line or electric wires through your walls. And because e-NRG Bioethanol is clean burning, you don’t need a flue or a chimney

Zero clearance

Self-contained, zero clearance construction allows your Flex fireplace to be framed into wood or metal studs, providing installation freedom and flexibility for builders.

Quick and easy assembly

Requiring virtually no assembly, Flex Fireboxes are designed to be placed into the desired location, safely secured into position, and operated immediately.

Rust proof

Zinc sealed steel construction powder coated with super hi-temp black paint prevents rusting so all fireplaces can be used both indoors or outdoors.

Luxurious finish

Available in a timeless black finish, Flex Fireboxes come with stainless steel burners and black glass charcoal.

Wind screen

Included integrated windscreen sits flush behind frame.

Tested world wide

Our collection has been thoroughly tested against a number of global standards and are UL Listed in the USA, Certified for EU and UK in accordance with EN16647, and satisfy the ACCC Safety Mandate for Australia.

SPECIFICATION
SPECIFICATION
CONSTRUCTION
WEIGHT

49.8kg [109.8lb]

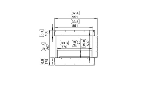
MODEL DIMENSIONS mm [in]

H 807.0 [31.8in]
W 951.0 [37.4in]
D 354.0 [13.9in]

MATERIALS

Mild Steel Toughened Glass

Our fireboxes are manufactured to the highest standards and in accordance with ISO 9001:2008.

DETAILS
VIEWING AREA mm [in]

H 502.0 [19.8in]
W 851.0 [33.5in]
D 352.0 [13.9in]

CUBIC METER (CBM)

0.63m3

PACKAGING TYPE

Crate (Inc Skid)

WHAT'S INCLUDED IN YOUR PURCHASE
WHAT'S INCLUDED IN YOUR PURCHASE

Includes everything you need to easily operate and protect your investment for many years to come.

VIDEOS
VIDEOS
DOWNLOADS OR ASSEMBLY INSTRUCTION
SHIPPING
SHIPPING
If you want to know more about

  • What happens after I place the order?
  • How will my order be delivered?
  • Where do we deliver?
  • Where and when do we offer the 2 Person Delivery Service?
  • How do you ask for the 2 Person Delivery Service?
  • etc...


Read more about our Shipping Process
RETURN & REFUND
RETURN & REFUND
If you want to know more about

  • Cancelling your order?
  • How returns are initiated?
  • etc...


Read more about our Return & Refund Process
FAQ
FAQ
Any questions? Visit our FAQ page (here)
Hot
New
In stock
Pre-order
Out stock

PRODUCT CODE / SKU: Flex 32PN-BB

Ecosmart Fire Flex 32PN Peninsula Fireplace Insert - Black Finish / Black Burner - ESF.FX.32PN.B

£3,445.00

or 3-monthly free-interest installment of £1,148.33 or in 30 days. Checkout and choose Klarna
or 4-monthly interest-free installment of £861.25 Checkout with Paypal for Paypal Credit
or 4 monthly installment of £861.25 . No interest, no fee. Checkout and choose Clearpay Clearpay
or 6-weekly interest-free installment of £574.16 . Checkout and choose Laybuy Laybuy
PRODUCT INSPIRATION
PRODUCT INSPIRATION

A multi-view peninsula fireplace delivers a flame to multiple rooms.

Designed as a room divider, the Peninsula Fireplace Insert features three open sides, enabling the mesmerising flame to be viewed from any direction - the front, back and open side.

The three transparent sides create an eye-catching focal point and provide the perfect solution to heating multiple rooms, to integrating within commercial/hospitality spaces and dividing open floor plans.

The clean lines and 'all flame' configuration of the Flex 32PN means the entire viewing area is dedicated to the eye-catching flame, creating a harmonious blend of traditional style and contemporary design.

The XL500 burner, the 'baby' of the XL Series, delivers a stunning, long-lasting linear flame. It may be compact in size, but with a 5L capacity, this ethanol burner can heat up to 40m2.

Efficiency is a key feature of this burner, delivering up to 13 hours of heat generating flame off a single refill.

Manufacturer approved surround for the BS EN16647 Compliant XL500 burner.

ABOUT ITS DIMENSION
ABOUT ITS DIMENSION
  • Height: 807mm | 31.77inches
  • Width: 951mm | 37.44inches
  • Length: 354mm | 13.94inches
  • Weight: 49.8kg | 109.81lbs
ABOUT ITS STOCK LEVEL
ABOUT ITS STOCK LEVEL
Stock Level: Out stock
Stock Level: In stock
Last Stock Update: 2025-10-26 at 2:00am
ABOUT ITS SHIPPING INFO
ABOUT ITS SHIPPING INFO
Free Shipping
UK Mainland: 2-4 Working Day Delivery
Northern Ireland: 5-7 Working Day Delivery
Made and Shipped From UK Mainland
Can be shipped to UK Mainland & Northern Ireland
WANT FURTHER DISCOUNT?
USE Eco20 FOR 20% OFF FIRST TIME PURCHASE.
Klarna
Paypal Credit
Clearpay
Laybuy
Laybuy
American Express
Apple Pay
Diners Club
Discover
Google Pay
Maestro
Mastercard
PayPal
Shop Pay
Visa
PRODUCT INFORMATION
PRODUCT INFORMATION

Fuel Efficiency

Volume Capacity
5 L [1.3 Gal]
Heats on Average
40m2 [431ft2]
Minimal Room
80m3 [2825ft3]
Thermal Output
11430 BTU/h [3.4 kW 12 MJ/h]
Burn Time
10 - 13 h [5 Litres]
BENEFITS
BENEFITS
Application

Indoor or outdoor single room application. With two open sides, view the flame from the right and the front.

Colours

Available in black, firebox comes with stainless steel burners and decorative Black Glass Charcoal.

No gas or electricity

No gas, no electricity, no chimney, no venting or external vent cap. 4 fewer General Contractors.

Clean burning

All the fuel is housed within Flex’s self-contained burner so you don’t have to run a gas line or electric wires through your walls. And because e-NRG Bioethanol is clean burning, you don’t need a flue or a chimney

Zero clearance

Self-contained, zero clearance construction allows your Flex fireplace to be framed into wood or metal studs, providing installation freedom and flexibility for builders.

Quick and easy assembly

Requiring virtually no assembly, Flex Fireboxes are designed to be placed into the desired location, safely secured into position, and operated immediately.

Rust proof

Zinc sealed steel construction powder coated with super hi-temp black paint prevents rusting so all fireplaces can be used both indoors or outdoors.

Luxurious finish

Available in a timeless black finish, Flex Fireboxes come with stainless steel burners and black glass charcoal.

Wind screen

Included integrated windscreen sits flush behind frame.

Tested world wide

Our collection has been thoroughly tested against a number of global standards and are UL Listed in the USA, Certified for EU and UK in accordance with EN16647, and satisfy the ACCC Safety Mandate for Australia.

SPECIFICATION
SPECIFICATION
CONSTRUCTION
WEIGHT

49.8kg [109.8lb]

MODEL DIMENSIONS mm [in]

H 807.0 [31.8in]
W 951.0 [37.4in]
D 354.0 [13.9in]

MATERIALS

Mild Steel Toughened Glass

Our fireboxes are manufactured to the highest standards and in accordance with ISO 9001:2008.

DETAILS
VIEWING AREA mm [in]

H 502.0 [19.8in]
W 851.0 [33.5in]
D 352.0 [13.9in]

CUBIC METER (CBM)

0.63m3

PACKAGING TYPE

Crate (Inc Skid)

WHAT'S INCLUDED IN YOUR PURCHASE
WHAT'S INCLUDED IN YOUR PURCHASE

Includes everything you need to easily operate and protect your investment for many years to come.

VIDEOS
VIDEOS
DOWNLOADS OR ASSEMBLY INSTRUCTION
SHIPPING
SHIPPING
If you want to know more about

  • What happens after I place the order?
  • How will my order be delivered?
  • Where do we deliver?
  • Where and when do we offer the 2 Person Delivery Service?
  • How do you ask for the 2 Person Delivery Service?
  • etc...


Read more about our Shipping Process
RETURN & REFUND
RETURN & REFUND
If you want to know more about

  • Cancelling your order?
  • How returns are initiated?
  • etc...


Read more about our Return & Refund Process
FAQ
FAQ
Any questions? Visit our FAQ page (here)

Customer Reviews

No reviews yet
0%
(0)
0%
(0)
0%
(0)
0%
(0)
0%
(0)

This is a standard cookie notice which you can easily adapt or disable as you like in the admin. We use cookies to ensure that we give you the best experience on our website.

Ecosmart Fire Flex 32PN Peninsula Fireplace Insert - Black Finish / Black Burner - ESF.FX.32PN.B

Ecosmart Fire Flex 32PN Peninsula Fireplace Insert - Black Finish / Black Burner - ESF.FX.32PN.B

£3,445.00