Fuel Efficiency





Indoor or outdoor multi room application. With four open sides, view the flame from multiple vantage points.
Flex Island models come with a base component that holds the burner and a top component that lines the bulkhead above.
No gas, no electricity, no chimney, no venting or external vent cap. 4 fewer General Contractors.
All the fuel is housed within Flex’s self-contained burner so you don’t have to run a gas line or electric wires through your walls.
The zero clearance construction allows your Flex fireplace to be framed into wood or metal studs, providing installation freedom and flexibility for builders.
Requiring virtually no assembly, Flex Fireboxes are designed to be placed into the desired location, safely secured into position, and operated immediately.
Available in black, firebox comes with stainless steel burners and decorative Black Glass Charcoal.
Available in a timeless black finish, Flex Fireboxes come with stainless steel burners and black glass charcoal.
Zinc sealed steel construction powder coated with super hi-temp black paint prevents rusting so all fireplaces can be used both indoors or outdoors.
Includes a translucent, toughened glass fire screen that provides an added layer of safety, peace of mind and comfort.
The fireplace inserts are fuelled by eco-friendly clean-burning e-NRG bioethanol, a renewable energy that emits no soot or smoke.
CONSTRUCTION
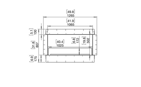
WEIGHT49.8kg [109.8lb]
MODEL DIMENSIONS mm [in] H 807.0 [31.8in]
W 1265.0 [49.8in]
D 354.0 [13.9in]
Mild Steel Toughened Glass
Our fireboxes are manufactured to the highest standards and in accordance with ISO 9001:2008.
DETAILS
VIEWING AREA mm [in] H 502.0 [19.8in]
W 1147.0 [45.2in]
D 340.0 [13.4in]
0.77m3
PACKAGING TYPECrate (Inc Skid)
Includes everything you need to easily operate and protect your investment for many years to come.
- What happens after I place the order?
- How will my order be delivered?
- Where do we deliver?
- Where and when do we offer the 2 Person Delivery Service?
- How do you ask for the 2 Person Delivery Service?
- etc...
- Cancelling your order?
- How returns are initiated?
- etc...
Fuel Efficiency





Indoor or outdoor multi room application. With four open sides, view the flame from multiple vantage points.
Flex Island models come with a base component that holds the burner and a top component that lines the bulkhead above.
No gas, no electricity, no chimney, no venting or external vent cap. 4 fewer General Contractors.
All the fuel is housed within Flex’s self-contained burner so you don’t have to run a gas line or electric wires through your walls.
The zero clearance construction allows your Flex fireplace to be framed into wood or metal studs, providing installation freedom and flexibility for builders.
Requiring virtually no assembly, Flex Fireboxes are designed to be placed into the desired location, safely secured into position, and operated immediately.
Available in black, firebox comes with stainless steel burners and decorative Black Glass Charcoal.
Available in a timeless black finish, Flex Fireboxes come with stainless steel burners and black glass charcoal.
Zinc sealed steel construction powder coated with super hi-temp black paint prevents rusting so all fireplaces can be used both indoors or outdoors.
Includes a translucent, toughened glass fire screen that provides an added layer of safety, peace of mind and comfort.
The fireplace inserts are fuelled by eco-friendly clean-burning e-NRG bioethanol, a renewable energy that emits no soot or smoke.
CONSTRUCTION
WEIGHT49.8kg [109.8lb]
MODEL DIMENSIONS mm [in] H 807.0 [31.8in]
W 1265.0 [49.8in]
D 354.0 [13.9in]
Mild Steel Toughened Glass
Our fireboxes are manufactured to the highest standards and in accordance with ISO 9001:2008.
DETAILS
VIEWING AREA mm [in] H 502.0 [19.8in]
W 1147.0 [45.2in]
D 340.0 [13.4in]
0.77m3
PACKAGING TYPECrate (Inc Skid)
Includes everything you need to easily operate and protect your investment for many years to come.
- What happens after I place the order?
- How will my order be delivered?
- Where do we deliver?
- Where and when do we offer the 2 Person Delivery Service?
- How do you ask for the 2 Person Delivery Service?
- etc...
- Cancelling your order?
- How returns are initiated?
- etc...




















