Phone Email Live Chat
PRODUCT INFORMATION
PRODUCT INFORMATION

Fuel Efficiency

Volume Capacity
5 L [1.3 Gal]
Heats on Average
40m2 [431ft2]
Minimal Room
80m3 [2825ft3]
Thermal Output
11430 BTU/h [3.4 kW 12 MJ/h]
Burn Time
10 - 13 h [5 Litres]
BENEFITS
BENEFITS
Application

Indoor or outdoor multi room application. With two open side, view the flame from the front and the back.

Colours

Available in black, firebox comes with stainless steel burners and decorative Black Glass Charcoal.

No gas or electricity

No gas, no electricity, no chimney, no venting or external vent cap. 4 fewer General Contractors.

Clean burning

All the fuel is housed within Flex’s self-contained burner so you don’t have to run a gas line or electric wires through your walls. And because e-NRG Bioethanol is clean burning, you don’t need a flue or a chimney

Zero clearance

Self-contained, zero clearance construction allows your Flex fireplace to be framed into wood or metal studs, providing installation freedom and flexibility for builders.

Quick and easy assembly

Requiring virtually no assembly, Flex Fireboxes are designed to be placed into the desired location, safely secured into position, and operated immediately.

Rust proof

Zinc sealed steel construction powder coated with super hi-temp black paint prevents rusting so all fireplaces can be used both indoors or outdoors.

Luxurious finish

Available in a timeless black finish, Flex Fireboxes come with stainless steel burners and black glass charcoal.

Decorative side box

Includes one decorative side box to fill with your chosen noncombustible accessory.

Optional log sets

Eye-catching accessory for the decorative side box. Made from stainless steel with a patina finish, they are available in two different finishes: Brass or Copper.

Wind screen

Included integrated windscreen sits flush behind frame.

Tested world wide

Our collection has been thoroughly tested against a number of global standards and are UL Listed in the USA, Certified for EU and UK in accordance with EN16647, and satisfy the ACCC Safety Mandate for Australia.

SPECIFICATION
SPECIFICATION
CONSTRUCTION
WEIGHT

70.0kg [154.3lb]

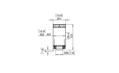
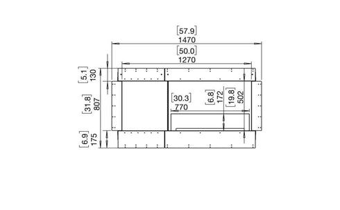
MODEL DIMENSIONS mm [in]

H 807.0 [31.8in]
W 1470.0 [57.9in]
D 354.0 [13.9in]

MATERIALS

Mild Steel Toughened Glass

Our fireboxes are manufactured to the highest standards and in accordance with ISO 9001:2008.

DETAILS
VIEWING AREA mm [in]

H 502.0 [19.8in]
W 1270.0 [50.0in]
D 352.0 [13.9in]

CUBIC METER (CBM)

0.89m3

PACKAGING TYPE

Crate (Inc Skid)

WHAT'S INCLUDED IN YOUR PURCHASE
WHAT'S INCLUDED IN YOUR PURCHASE

Includes everything you need to easily operate and protect your investment for many years to come.

VIDEOS
VIDEOS
DOWNLOADS OR ASSEMBLY INSTRUCTION
SHIPPING
SHIPPING
If you want to know more about

  • What happens after I place the order?
  • How will my order be delivered?
  • Where do we deliver?
  • Where and when do we offer the 2 Person Delivery Service?
  • How do you ask for the 2 Person Delivery Service?
  • etc...


Read more about our Shipping Process
RETURN & REFUND
RETURN & REFUND
If you want to know more about

  • Cancelling your order?
  • How returns are initiated?
  • etc...


Read more about our Return & Refund Process
FAQ
FAQ
Any questions? Visit our FAQ page (here)
Hot
New
In stock
Pre-order
Out stock

PRODUCT CODE / SKU: Flex 50DB.BX1-BB

Ecosmart Fire Flex 50DB.BX1 Double Sided Fireplace Insert - Black Finish / Black Burner - ESF.FX.50DB.BX1.B

£4,845.00

or 3-monthly free-interest installment of £1,615.00 or in 30 days. Checkout and choose Klarna
or 4-monthly interest-free installment of £1,211.25 Checkout with Paypal for Paypal Credit
or 4 monthly installment of £1,211.25 . No interest, no fee. Checkout and choose Clearpay Clearpay
or 6-weekly interest-free installment of £807.50 . Checkout and choose Laybuy Laybuy
PRODUCT INSPIRATION
PRODUCT INSPIRATION

Provides a focal point for two rooms for a single installation cost.

With two open sides, Flex Double Sided fireplace insert creates the perfect room divider. The see-through design provides unobstructed views of the flickering flame from the front and the back, infusing warmth and ambiance into two adjacent rooms.

With an EcoSmart Flex 50DB.BX1, you have design freedom with the choice of a Decorative Box on the left or right-hand side. Both designs are fitted with a glass panel that divides the box and the Firebox and creates an attractive streamlined look. Instantly transform any wall into a feature, indoors or out, with a stylish, clean-lined Flex Firebox.

The XL500 burner, the 'baby' of the XL Series, delivers a stunning, long-lasting linear flame. It may be compact in size, but with a 5L capacity, this ethanol burner can heat up to 40m2.

Efficiency is a key feature of this burner, delivering up to 13 hours of heat generating flame off a single refill.

Manufacturer approved surround for the BS EN16647 Compliant XL500 burner.

ABOUT ITS DIMENSION
ABOUT ITS DIMENSION
  • Height: 807mm | 31.77inches
  • Width: 1470mm | 57.87inches
  • Length: 354mm | 13.94inches
  • Weight: 70kg | 154.35lbs
ABOUT ITS STOCK LEVEL
ABOUT ITS STOCK LEVEL
Stock Level: Out stock
Stock Level: In stock
Last Stock Update: 2025-10-28 at 2:00am
ABOUT ITS SHIPPING INFO
ABOUT ITS SHIPPING INFO
Free Shipping
UK Mainland: 2-4 Working Day Delivery
Northern Ireland: 5-7 Working Day Delivery
Made and Shipped From UK Mainland
Can be shipped to UK Mainland & Northern Ireland
WANT FURTHER DISCOUNT?
USE Eco20 FOR 20% OFF FIRST TIME PURCHASE.
Klarna
Paypal Credit
Clearpay
Laybuy
Laybuy
American Express
Apple Pay
Diners Club
Discover
Google Pay
Maestro
Mastercard
PayPal
Shop Pay
Visa
PRODUCT INFORMATION
PRODUCT INFORMATION

Fuel Efficiency

Volume Capacity
5 L [1.3 Gal]
Heats on Average
40m2 [431ft2]
Minimal Room
80m3 [2825ft3]
Thermal Output
11430 BTU/h [3.4 kW 12 MJ/h]
Burn Time
10 - 13 h [5 Litres]
BENEFITS
BENEFITS
Application

Indoor or outdoor multi room application. With two open side, view the flame from the front and the back.

Colours

Available in black, firebox comes with stainless steel burners and decorative Black Glass Charcoal.

No gas or electricity

No gas, no electricity, no chimney, no venting or external vent cap. 4 fewer General Contractors.

Clean burning

All the fuel is housed within Flex’s self-contained burner so you don’t have to run a gas line or electric wires through your walls. And because e-NRG Bioethanol is clean burning, you don’t need a flue or a chimney

Zero clearance

Self-contained, zero clearance construction allows your Flex fireplace to be framed into wood or metal studs, providing installation freedom and flexibility for builders.

Quick and easy assembly

Requiring virtually no assembly, Flex Fireboxes are designed to be placed into the desired location, safely secured into position, and operated immediately.

Rust proof

Zinc sealed steel construction powder coated with super hi-temp black paint prevents rusting so all fireplaces can be used both indoors or outdoors.

Luxurious finish

Available in a timeless black finish, Flex Fireboxes come with stainless steel burners and black glass charcoal.

Decorative side box

Includes one decorative side box to fill with your chosen noncombustible accessory.

Optional log sets

Eye-catching accessory for the decorative side box. Made from stainless steel with a patina finish, they are available in two different finishes: Brass or Copper.

Wind screen

Included integrated windscreen sits flush behind frame.

Tested world wide

Our collection has been thoroughly tested against a number of global standards and are UL Listed in the USA, Certified for EU and UK in accordance with EN16647, and satisfy the ACCC Safety Mandate for Australia.

SPECIFICATION
SPECIFICATION
CONSTRUCTION
WEIGHT

70.0kg [154.3lb]

MODEL DIMENSIONS mm [in]

H 807.0 [31.8in]
W 1470.0 [57.9in]
D 354.0 [13.9in]

MATERIALS

Mild Steel Toughened Glass

Our fireboxes are manufactured to the highest standards and in accordance with ISO 9001:2008.

DETAILS
VIEWING AREA mm [in]

H 502.0 [19.8in]
W 1270.0 [50.0in]
D 352.0 [13.9in]

CUBIC METER (CBM)

0.89m3

PACKAGING TYPE

Crate (Inc Skid)

WHAT'S INCLUDED IN YOUR PURCHASE
WHAT'S INCLUDED IN YOUR PURCHASE

Includes everything you need to easily operate and protect your investment for many years to come.

VIDEOS
VIDEOS
DOWNLOADS OR ASSEMBLY INSTRUCTION
SHIPPING
SHIPPING
If you want to know more about

  • What happens after I place the order?
  • How will my order be delivered?
  • Where do we deliver?
  • Where and when do we offer the 2 Person Delivery Service?
  • How do you ask for the 2 Person Delivery Service?
  • etc...


Read more about our Shipping Process
RETURN & REFUND
RETURN & REFUND
If you want to know more about

  • Cancelling your order?
  • How returns are initiated?
  • etc...


Read more about our Return & Refund Process
FAQ
FAQ
Any questions? Visit our FAQ page (here)

Customer Reviews

No reviews yet
0%
(0)
0%
(0)
0%
(0)
0%
(0)
0%
(0)

This is a standard cookie notice which you can easily adapt or disable as you like in the admin. We use cookies to ensure that we give you the best experience on our website.

Ecosmart Fire Flex 50DB.BX1 Double Sided Fireplace Insert - Black Finish / Black Burner - ESF.FX.50DB.BX1.B

Ecosmart Fire Flex 50DB.BX1 Double Sided Fireplace Insert - Black Finish / Black Burner - ESF.FX.50DB.BX1.B

£4,845.00